Innehållsförteckning
Uppdaterad – 2 november 2023
Om halvljuset, dimljuset och instrumentbelysningen på Fiat Ducato 244 inte fungerar kan det ha flera orsaker, som beskrivs nedan.
Illustrationerna av säkringarnas placering är hämtade från originalhandboken i illustrativt syfte.
Utdrag ur kopplingsschemat är hämtade från Windows-programmet e-Learn FIAT Ducato. Alla kopplingsscheman kan laddas ner som PDF-filer genom att klicka på dem.
Säkringar
Säkringarna sitter på förarsidan till vänster om rattstången (CFB), inklusive säkringspincett (D), till höger på passagerarsidan under handskfacket (CFO), i varje fall bakom löstagbara plastlock, och i motorrummet på förarsidan (CVM) under en Torx-skruv (b) fäst vid säkrings-/relähuset, upplåsbar (C) Plasthölje (D) och ansluts direkt till batteriets pluspol på vänster sida om säkringshållaren (CBA).
Till att börja med var det 5 A-säkringen (F 24 - CFB) som var boven i dramat.
Det finns emellertid också kontakter på rattstången (under det övre och nedre locket, samt längst ner på omkopplarenheten (varningsljus, dimljus, ABS), som kan orsaka samma fenomen på grund av oxidation. Kontaktspray och upprepad inkoppling och urkoppling kommer att åtgärda felet, förutsatt att alla säkringar inte är defekta.
150 A-säkringen (F 70 - CBA) som är ansluten före reläet för vänster och höger halvljus, samt 10 A-säkringarna (F 14 och F 15 CVM) som är anslutna före reläet mellan kontinuerligt plus (30) och halvljus, som vidarebefordras till reläkontakt 87 (T02), är vanligtvis inte heller orsaken till problemet.
Reläet T02 (CVM) är placerat direkt under de två säkringarna F 24 och F 14 (CVM).
CFB

| Identifierare | Amp | Syfte |
|---|---|---|
| F 12 | 5 | Parkeringsljus (höger - fram/bak) |
| F 13 | 5 | Parkeringsljus (vänster - bak höger) |
| F 24 | 5 | Nummerskyltsbelysning, driftbelysning, lampa för parkeringsljus |
| F 25 | 7,5 | Radio |
| F 26 | 7,5 | Bromsljus |
| F 27 | 7,5 | el. backspeglar, farthållare, färdskrivare, telefon, fjärrkontroll |
| F 31 | 10 | Tändningslås |
| F 32 | 15 | Radio |
| F 33 | 7,5 | Dimljus bak |
| F 35 | 7,5 | ABI, fönsterhiss |
| F 37 | 10 | Instrumentpanel, PCC |
| F 39 | 10 | Invändig belysning, EOBD |
| F 42 | 7,5 | ABS styrenhet |
| F 43 | 15 | Pump för vindrutespolning |
| F 44 | 15 | Cigarettändare |
| F 49 | 15 | Pump för strålkastarspolning |
| F 50 | 7,5 | Kontrollenhet för airbag |
| F 51 | 10 | PCA (ambulansversion) |
| F 52 | 20 | Frontuttag |
| F 53 | 10 | Körriktningsvisare, varningsblinkers, instrumentpanel |
| F 55 | 30 | Elektrisk fläkt (inuti) |
CFO

| Identifierare | Amp | Syfte |
|---|---|---|
| F 34 | 10 | Färdskrivare, telefon, fjärrkontroll |
| F 38 | 20 | ABI dörrblockering |
| F 40 | 15 | Uppvärmd vindruta höger |
| F 41 | 10 | Värme för ytterbackspeglar |
| F 45 | 15 | Uppvärmning av förarsätet |
| F 47 | 20 | ABI Fönsterregulator vänster |
| F 48 | 20 | ABI Fönsterregulator höger |
| F 54 | 15 | Uppvärmd vindruta vänster |
| F 57 | 15 | Ytterligare e-fan |
| F 58 | 5 | Webasto timer |
| F 59 | 15 | Behållare för livsmedel |
| F 60 | 10 | Varningslampor för farliga ämnen |
| F 61 | 20 | Webasto-koncernen |
| F 64 | 20 | Siren (ambulansversion) |
| F 65 | 10 | Uttag (specialutrustning) |
CVM


| Identifierare | Amp | Syfte |
|---|---|---|
| F 01 | 60 | Skydd för CFB-styrenhet |
| F 02 | 50 | Kontrollenhet för förvärmning av tändstift |
| F 03 | 30 | Tändningslås |
| F 04 | 50 | ABS styrenhet |
| F 05 | 30 | Fläkt (inuti) |
| F 06 | 40 | Fläkt (radiator - nivå 1) |
| F 07 | 40 | Fläkt (kylare - steg 2), fjärrströmbrytare tändspole |
| F 08 | 30 | Motor för vindrutetorkare |
| F 09 | 15 | Dimljus |
| F 11 | 10 | Motorstyrenhet |
| F 14 | 10 | Halvljus höger |
| F 15 | 10 | Halvljus vänster |
| F 16 | 7,5 | I.E.-system, FIAT-kod |
| F 17 | 5 | I.E. service |
| F 18 | 7,5 | FIAT-kod, motorstyrenhet |
| F 19 | 7,5 | kompressor |
| F 20 | 30 | PTC |
| F 21 | 15 | Bränslepump |
| F 23 | 10 | Automatisk styrenhet |
| F 24 | 15 | Automatisk styrenhet |
CBA

| Identifierare | Amp | Syfte |
|---|---|---|
| F 70 | 150 | CVM-styrenhet |
| F 71 | 80 | CFO:s kontrollenhet |
| F 72 | 70 / 100 / 125* | Trefasgenerator |
| F 73 | 70 | Konstruktion |
*Beroende på motortyp (2,0 JTD, 2,8 JTD)
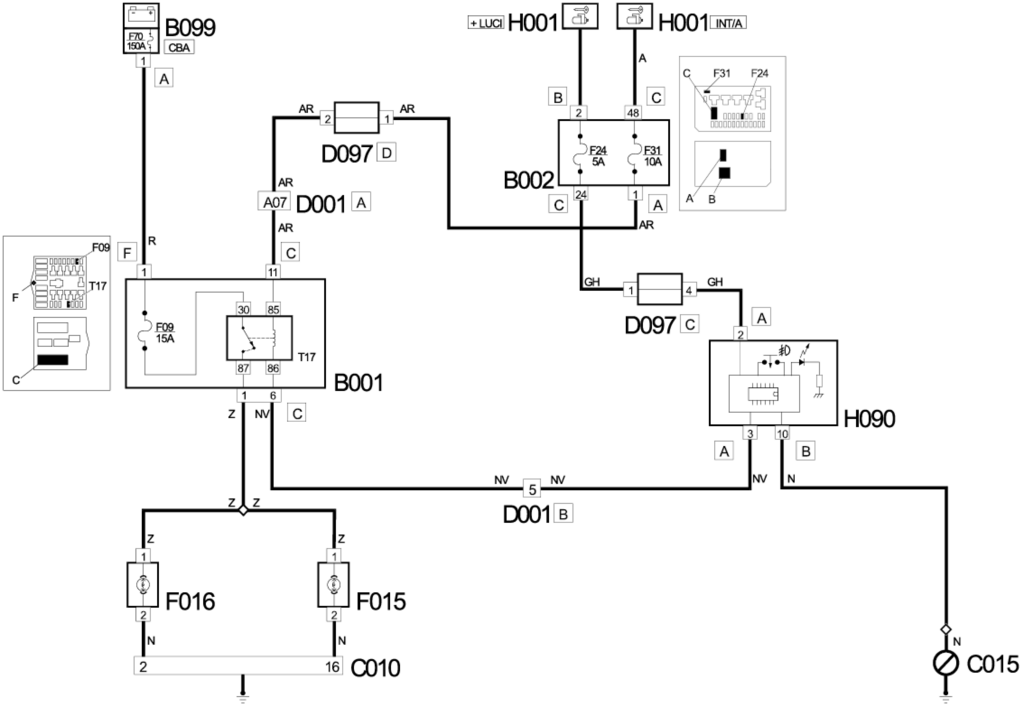
Kretsschema för utomhusbelysning (utdrag)

Kretsschema för instrumentbelysning (utdrag)
Säkring F 24 är noterad här - och kan därför också härledas som orsak ...!

Kopplingsschema för dimljus (utdrag)

relä
Reläer kan enkelt testas genom att 12 V DC läggs på spolkontakterna 85 och 86: Reläet är funktionsdugligt om det slår till vid spänningstillförsel och om det går att mäta kontinuitet mellan reläkontakterna.